QQ登录

只需一步,快速开始

微信登录

手机微信,扫码同步

用户名登录

用户名,密码登录

中宇气柜

[讨论] 【JST-046】凝气式汽轮机操作专家一对一求助办公室

  [复制链接]
100912 |334
阅读字号:
lifawei109VIP会员 VIP会员 | 显示全部楼层 |阅读模式       最后访问IP陕西省
海川高一  |  头衔:  TA未设置 
已绑手机   ★悬赏任务→ 发悬赏(0)  承接(0/0)   

加入千万技术人社群

您需要 登录 才可以下载或查看,没有账号?注册

x
本帖最后由 萤火虫 于 2015-4-10 08:34 编辑

本人专业:本人从事汽轮机操作,压缩机操作多年,包括一拖二机组,国内汽轮机,man透平,国产压缩机,进口压缩机
在线时间:不定期在线,一般离线时间不会超过15个小时;有问题留言,很快便会有答复。
欢迎大家就汽轮机现场操作,DCS操作,设备结构,操作疑问,对于简单设计方面,控制系统,设备改造等相互交流,旨在一起提高!
其次希望大家在我每次解答以后有相应的信息反馈,希望能够帮助你。

 

发表于 2012-4-8 18:21:59

点评

有帖子也不会呀  发表于 2012-4-26 08:29
您最近很忙吗  发表于 2012-4-26 08:29

评分

25

查看全部评分

【提示:直接搜索985206可直达本帖。】

声明:

本站是提供个人知识管理及信息存储的网络存储空间,所有内容均由用户发布,不代表本站观点。

请注意甄别主题及回复内容中的联系方式、诱导购买等信息,谨防诈骗。内容及翻译仅供参考

当前内容由会员用户名 lifawei109 发布!权益归其或其声明的所有人所有 仅代表其个人观点, 仅供个人学习、研究之用。

本主题及回复中的网友及版主依个人意愿的点评互动、推荐、评分等,均不代表本站认可其内容或确认其权益归属,

如发现有害或侵权内容,可联系我站举证删除,我站在线客服信息service@hcbbs.com 电话188-4091-1640 

lizhenpengVIP会员 VIP会员 | 显示全部楼层       最后访问IP浙江省
海川大学三年  |  头衔:  TA未设置 
已绑手机   ★悬赏任务→ 发悬赏(0)  承接(0/0)   
本帖最后由 salesment 于 2012-4-9 10:27 编辑

两级射汽式抽气器在原始开车之前,试气密性怎么操作?减压速率为多少为允许值,说明气密合格呢?不要让我自己查,就是没查到才问您的
(答案参照:3楼)

 

发表于 2012-4-9 06:59:56

回复

使用道具 举报

lifawei109楼主 VIP会员 VIP会员 | 显示全部楼层       最后访问IP陕西省
海川高一  |  头衔:  TA未设置 
已绑手机   ★悬赏任务→ 发悬赏(0)  承接(0/0)   

你好对于射气式抽气器在原始开车的时候对其进行气密性操作:一般只进行水侧气密性,其原理和方式你可以把它当做换热器检查气密性,试验压力为操作压力的1.05倍,用肥皂水检验。不冒泡即为合格。这是我对你所提问题的解答。
对于两级抽气器换热器是整体安装,对于水侧,保压30分钟,压力不降即为合格
其水压试验压力应为操作压力的1.25 倍。
如果有问题可以批我

 

发表于 2012-4-9 08:53:57

点评

能否将真空系统相连接的单元整体打水压检漏,对于敏感设备和仪表进行隔离处理?  详情 回复 发表于 2015-5-6 15:49
同意  发表于 2014-4-17 15:57
不错  发表于 2013-9-23 10:12
同意您的观点  发表于 2012-4-25 21:50

评分

7

查看全部评分

回复

使用道具 举报

lizhenpengVIP会员 VIP会员 | 显示全部楼层       最后访问IP浙江省
海川大学三年  |  头衔:  TA未设置 
已绑手机   ★悬赏任务→ 发悬赏(0)  承接(0/0)   
lifawei109 发表于 2012-4-9 08:53
你好对于射气式抽气器在原始开车的时候对其进行气密性操作:一般只进行水侧气密性,其原理和方式你可以把 ...

压力不降即为合格?应该有个降压速率吧,30分钟一点不变吗?

 

发表于 2012-4-9 15:41:48

点评

冷却器侧的工作压力很低,一般要求严格点就是水试压时,压力一点也不能降  发表于 2014-8-29 10:37
比所谓的专家要懂得多!  发表于 2012-4-13 12:03
回复

使用道具 举报

yanyu729VIP会员 VIP会员 | 显示全部楼层       最后访问IP云南省
海川初二  |  头衔:  TA未设置 
★悬赏任务→ 发悬赏(0)  承接(0/0)   
本帖最后由 yuchenchf 于 2012-4-11 07:57 编辑

请楼主谈谈射水抽汽与射汽抽汽的优缺点。



(版主提示:答案参考8楼)

 

发表于 2012-4-9 16:27:55

回复

使用道具 举报

lifawei109楼主 VIP会员 VIP会员 | 显示全部楼层       最后访问IP陕西省
海川高一  |  头衔:  TA未设置 
已绑手机   ★悬赏任务→ 发悬赏(0)  承接(0/0)   
本帖最后由 lifawei109 于 2012-4-9 16:42 编辑
lizhenpeng 发表于 2012-4-9 15:41
压力不降即为合格?应该有个降压速率吧,30分钟一点不变吗?

对于设备的气密性检查,如果你把它当做换热器来检验,则不能有泄漏,30分钟压力不降。一般来说你们的气密性试验是安装项目的工作人员来完成,其说明书有相应的验收标准,希望让他们能认真阅读你们的设备说明书,如果你们缺少相应的资料,则根据GB150和GB50235内的相 关内容走。

 

发表于 2012-4-9 16:34:39

评分

1

查看全部评分

回复

使用道具 举报

lifawei109楼主 VIP会员 VIP会员 | 显示全部楼层       最后访问IP陕西省
海川高一  |  头衔:  TA未设置 
已绑手机   ★悬赏任务→ 发悬赏(0)  承接(0/0)   
lifawei109 发表于 2012-4-9 16:34
对于设备的气密性检查,如果你把它当做换热器来检验,则不能有泄漏,30分钟压力不降。一般来说你们的气密 ...

不客气,只希望能够帮助到你。                        

 

发表于 2012-4-9 16:45:38

回复

使用道具 举报

lifawei109楼主 VIP会员 VIP会员 | 显示全部楼层       最后访问IP陕西省
海川高一  |  头衔:  TA未设置 
已绑手机   ★悬赏任务→ 发悬赏(0)  承接(0/0)   
yanyu729 发表于 2012-4-9 16:27
请楼主谈谈射水抽汽与射汽抽汽的优缺点。

射水抽气器特点:
1.抽吸能力强,安全余量大,电机耗电低。
2.寿命长,检修周期长。
3.启动方便,不需要另配备辅助设备。
4.维护方便,操作方便,结构简单。
由此可见,此类抽气器方便用在大机组,尤其是大型发电机组,方便启动和正常运行中节能。但是它需要配备专用的电机水泵,水箱在投资方面成本比较大,而且占地面积较大。
射气抽气器特点:
1.   在启动时需要辅助的抽气器,蒸汽耗量较大。
2.   在正常过程中需要冷却水,损耗冷却水。
3.   结构复杂,操作较麻烦。
4.   安装占地随意性将强,可以根据机组的设置方便安置。
5.   主抽气器效率高,并且可以将冷凝液回收,经济效益提高。
这类抽气器根据其特点主要用在小机组上,在较少的蒸汽耗量下就可以满足生产需要,节约占地面积,而且可以引用低压蒸汽来满足需要。
由此可见,慢慢的射水抽气器应用可能更为广泛,而且有肯能产生新的抽气器,希望我的回答对你有所帮助。

 

发表于 2012-4-9 17:11:27

点评

我们公司计划将射水抽汽器换成水环真空泵  发表于 2016-6-17 17:13
简单的说,射水抽气器最终会被淘汰,不是专家所说那样!而射气抽气器用于余热供暖最有优势,专家还需有待了解!  发表于 2012-4-13 13:38

评分

3

查看全部评分

回复

使用道具 举报

hait3202843VIP会员 VIP会员 | 显示全部楼层       最后访问IP湖北省
海川高二  |  头衔:  TA未设置 
已绑手机   ★悬赏任务→ 发悬赏(0)  承接(0/0)   
本帖最后由 lizhenpeng 于 2012-4-17 08:35 编辑

请问:C-2620-1两级射汽式抽气器二级的冷凝液是回凝汽器旁的疏水膨胀箱吗?
(版主提示:答案参考10楼)

 

发表于 2012-4-9 17:15:29

点评

一般都是回到凝汽器里的  发表于 2014-4-17 15:59
回复

使用道具 举报

lifawei109楼主 VIP会员 VIP会员 | 显示全部楼层       最后访问IP陕西省
海川高一  |  头衔:  TA未设置 
已绑手机   ★悬赏任务→ 发悬赏(0)  承接(0/0)   
hait3202843 发表于 2012-4-9 17:15
请问:C-2620-1两级射汽式抽气器二级的冷凝液是回凝汽器旁的疏水膨胀箱吗?

可以看出来是射汽抽气器:对于射气抽气器,主抽气器的一级抽气器和二级抽气器所用的蒸汽冷凝液都会进入你们的凝汽器的,然后被冷凝液泵输送出去。冷凝液是回到疏水膨胀箱的,这个是可以回去的。
如果没有回去而是排到地沟了,那也是可以的。如果没有回去,去了凝汽器的其他地方也是可以的,主要是看这根管道的配置和设计图纸了,这个没有关系的。希望我的回答能够帮助你,其次你问这个问题应该是有想法的,何不妨说出来你发现了什么问题?

 

发表于 2012-4-9 17:25:26

评分

1

查看全部评分

回复

使用道具 举报

wqi8306VIP会员 VIP会员 | 显示全部楼层       最后访问IP山东省
海川小学5年  |  头衔:  TA未设置 
★悬赏任务→ 发悬赏(0)  承接(0/0)   
射气抽气器的蒸汽凝结水都回凝汽器了,如果排地沟增加能耗。回凝汽器一级是个U型管,二级是个疏水器已确保凝汽器的真空不受影响

 

发表于 2012-4-10 20:49:42

评分

1

查看全部评分

回复

使用道具 举报

lifawei109楼主 VIP会员 VIP会员 | 显示全部楼层       最后访问IP陕西省
海川高一  |  头衔:  TA未设置 
已绑手机   ★悬赏任务→ 发悬赏(0)  承接(0/0)   
wqi8306 发表于 2012-4-10 20:49
射气抽气器的蒸汽凝结水都回凝汽器了,如果排地沟增加能耗。回凝汽器一级是个U型管,二级是个疏水器已确保凝 ...

你的说法很对,排地沟会增加能耗,至于二级和一级是怎么回到凝汽器的,根据设备厂家的设计理念会有所不同,我们只需要懂得它的操作还有原理。

 

发表于 2012-4-10 22:07:39

评分

2

查看全部评分

回复

使用道具 举报

kof369VIP会员 VIP会员 | 显示全部楼层       最后访问IP山东省
海川高二  |  头衔:  TA未设置 
已绑手机   ★悬赏任务→ 发悬赏(0)  承接(0/0)   
版主能否提供一下5万,10万抽凝机组的变工况曲线。同时说明一下其用法。

 

发表于 2012-4-11 08:19:15

评分

1

查看全部评分

回复

使用道具 举报

lizhenpengVIP会员 VIP会员 | 显示全部楼层       最后访问IP浙江省
海川大学三年  |  头衔:  TA未设置 
已绑手机   ★悬赏任务→ 发悬赏(0)  承接(0/0)   
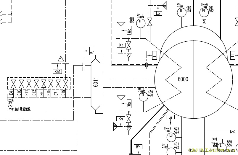
我想知道  这个输水膨胀箱大于等于250mm这个数值啥意思呢   

 

发表于 2012-4-11 09:50:31

QQ截图20120411094542.png

点评

热井的最低液位是为了保证冷凝泵不打空防止汽蚀的  详情 回复 发表于 2016-3-4 16:13
这个是指热井的液位  发表于 2014-4-17 16:01

评分

3

查看全部评分

回复

使用道具 举报

lifawei109楼主 VIP会员 VIP会员 | 显示全部楼层       最后访问IP陕西省
海川高一  |  头衔:  TA未设置 
已绑手机   ★悬赏任务→ 发悬赏(0)  承接(0/0)   
lizhenpeng 发表于 2012-4-11 09:50
我想知道  这个输水膨胀箱大于等于250mm这个数值啥意思呢

你好,对于你所问的250mm这个问题我不太清楚,有可能是设计标准吧,考虑到一些热应力,我会查找相关标准。在实际安装中,是绝对满足这个高度的,并且远远高出这个高度。
不好意思,对于你的这个问题我不能给出一个明确的答复,我会继续关注你的问题,如果我有新的想法我会第一时间告诉您!

 

发表于 2012-4-11 11:48:37

点评

很专业  发表于 2012-4-23 16:07
您不是在空分区征集问题吗 可以帮我问问专家哦 嘿嘿  发表于 2012-4-11 14:58

评分

2

查看全部评分

回复

使用道具 举报


          特别提示:

          本站系信息发布平台,仅提供信息内容存储服务。

         禁止发布上传, 包括但不限于:不能公开传播或无传播权的出版物、无传播权的在行标准规范、涉密内容等
          不听劝告后果自负!造成平台或第三方损失的,依法追究相关责任。

          请遵守国家法规;不要散播涉爆类、涉黄毒赌类、涉及宗教、政治议题、谣言负面等信息   

     

您需要登录后才可以回帖 登录 | 注册

本版积分规则

海川自营服务
【实名】高级模式

客服

周 微信号 (广告宣传)

密码找回、帐号问题,

请发送邮件至service@hcbbs.com

如急需,也可加客服微信获取帮助

可可 微信号 (商务 新媒体合作)

服务

专家服务

0411-88254066

18840911640

工作时间09:00-17:00

电子信箱(全天)

service@hcbbs.com


 

关于我们  -  隐私协议    -  网站声明   -  广告服务   -  企业会员   -  个人会员  -   主题竞价   -   专家智库  -  服务市场    -  APP和微信   -  分类信息   -   常见问题  -  在线计算  -  单位换算


不良信息举报 0411-88254066      service@hcbbs.com    


海川化工论坛网(hcbbs) @Discuz! X3  加载0.337892 second(s), 76 queries , Redis On.


辽公安备21100302203002号  | 辽ICP备17009251号  |  辽B2证-20170197  | 坚决打赢禁毒战争